JRS直播公众号
JRS直播订阅号
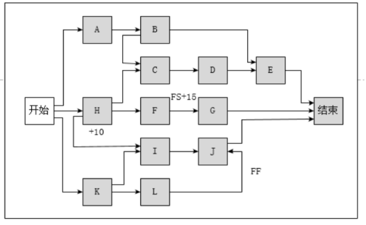
下图中(单位:天)关于活动F和活动G之间的关系描述正确的是( )。A.活动F开始时,开始活动GB.活动F开始15天后,开始活动GC.活动F结束时,开始活动GD.活动F结束15天后,开始活动G
JRS直播参考答案:D(仅供参考,欢迎评论交流) 收藏
考试信息推送
免费在线答题
优惠报班活动
直播录播辅导