春(fzyzx.cn) 09:52:14
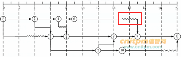
某项目的时标网络图如下(时间单位:周),在项目实施过程中,因负责实施的工程师误操作发生了质量事故,需整顿返工,造成工作4-6拖后3周,受此影响,工程的总工期会拖延( )周。

B. 1 2017下-安子翔(fzyzx.cn) 09:55:33 B 春(fzyzx.cn) 09:56:02 解释一下? 2017下-安子翔(fzyzx.cn) 09:56:49 4-6后面的自由时差已经用完了2天 2017下-安子翔(fzyzx.cn) 09:57:11 2017下-安子翔(fzyzx.cn) 09:57:16 3-2=1 春(fzyzx.cn) 09:57:50 强/qiang 春(fzyzx.cn) 09:58:30 2-1? 2017下-安子翔(fzyzx.cn) 09:58:34 前两天做过这题 2017下-安子翔(fzyzx.cn) 09:59:09 总共延后3天,自由时差2天,所以是3-2 春(fzyzx.cn) 09:59:45 强/qiang
C. 2
D. 3

JRS直播订阅号
JRS直播视频号
JRS直播抖音号
温馨提示:因考试政策、内容不断变化与调整,JRS直播网站提供的以上信息仅供参考,如有异议,请以权威部门公布的内容为准!
JRS直播致力于为广大信管从业人员、爱好者、大学生提供专业、高质量的课程和服务,解决其考试证书、技能提升和就业的需求。
JRS直播软考课程由JRS直播依托10年专业软考教研倾力打造,教材和资料参编作者和资深讲师坐镇,通过深研历年考试出题规律与考试大纲,深挖核心知识与高频考点,为学员考试保驾护航。面授、直播&录播,多种班型灵活学习,满足不同学员考证需求,降低课程学习难度,使学习效果事半功倍。
| 发表评论 查看完整评论 | |